16 Mar,2026
গিয়ার বনাম ভ্যান বনাম পিস্টন: কোন শিল্প হাইড্রোলিক পাম্প সর্বোত্তম দক্ষতা অফার করে?


উচ্চ চাপ, উচ্চ গতির ড্রাইভ এবং ব্যালেন্স ভালভ সহ মোটর,
এটি উচ্চ-লোড অবস্থার জন্য ডিজাইন করা হয়েছে
এটি একটি 6 থেকে 50-টন হাইড্রোলিক এক্সকাভেটরের জন্য আদর্শ সমাধান
দক্ষ এবং কম্প্যাক্ট নকশা
উচ্চ-চাপ প্রযুক্তি হাইড্রোলিক সিস্টেমের দক্ষতা বাড়ায়
ইন্টিগ্রেটেড ব্যালেন্স ভালভ এবং চাপ রিলিফ ভালভ সহ দুই গতির মোটর
মোটর হাইড্রোলিক ব্রেকিংয়ের কাজকে একীভূত করে
অনুরোধে গতি স্বয়ংক্রিয়ভাবে পরিবর্তন করা যেতে পারে
নিম্ন তাপমাত্রা, উচ্চ দক্ষতা
অপারেটিং তাপমাত্রা পরিসীমা: -20 ° C ~ 80 ° C
কমপ্যাক্ট ডিজাইন
নিম্ন স্থানচ্যুতি উচ্চ-চাপের মোটরগুলি গুরুত্বপূর্ণ উপাদানগুলির পরিষেবা জীবনকে প্রসারিত করে এবং সমগ্রটিকে উন্নত করে
সিস্টেমের স্থায়িত্ব
জলবাহী প্লাঞ্জার ঘূর্ণনের জন্য অল-কপার লাইনার
ডাবল মেটাল (তামা/ইস্পাত) ডিস্ট্রিবিউশন ট্রে
একটি বিশেষ স্প্রিং সিস্টেমের সাথে ঘূর্ণন সংমিশ্রণ মোটরটির জীবনকে বাড়িয়ে তোলে
রিডুসারের ট্রিপল সিলিং সিস্টেম: যান্ত্রিক গোলকধাঁধা সীল, ভি-টাইপ তেল সীল, প্রধান তেল সীল।
প্রধান তেল সীল রিডুসার disassembling ছাড়া প্রতিস্থাপিত করা যেতে পারে
রিডুসারের বিয়ারিংগুলি স্বাধীন উপাদান, ইনস্টল করা সহজ এবং নেতিবাচক লোডের জন্য সম্পূর্ণরূপে প্রিসেট করা যেতে পারে
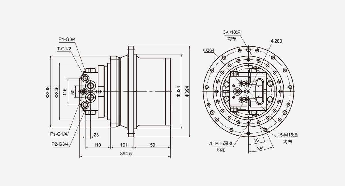
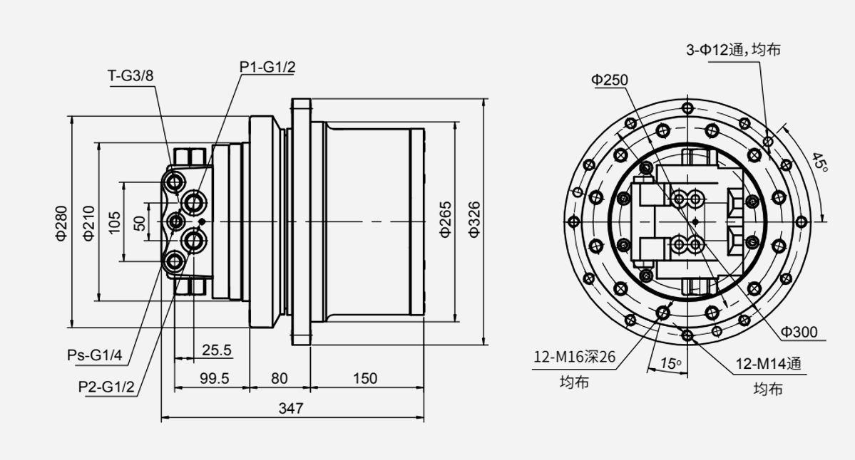
আইটিএম01:
| মোডাল | (লি/মিনিট) | (ML/r) | (এমপিএ) | (এমপিএ) | গিয়ার অনুপাত | (N.m) | (আর/মিনিট) | ঘূর্ণন | (℃) | (mm2/s) |
| ITM01 | 20 | ৬.৩১/১২.৫৬ | 25 | 2-7 | 36.96 | 1845 | 85.8/43 | দ্বিমুখী | -20- 80 | 16-25 |
| মোডাল | (লি/মিনিট) | (ML/r) | (এমপিএ) | (এমপিএ) | গিয়ার অনুপাত | (N.m) | (আর/মিনিট) | ঘূর্ণন | (℃) | (mm2/s) |
| ITM03 | 40 | 12/18 | 21 | 2-7 | 45.2 | 2719 | 55/37 | দ্বিমুখী | -20- 80 | 16-25 |
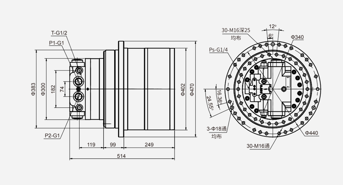
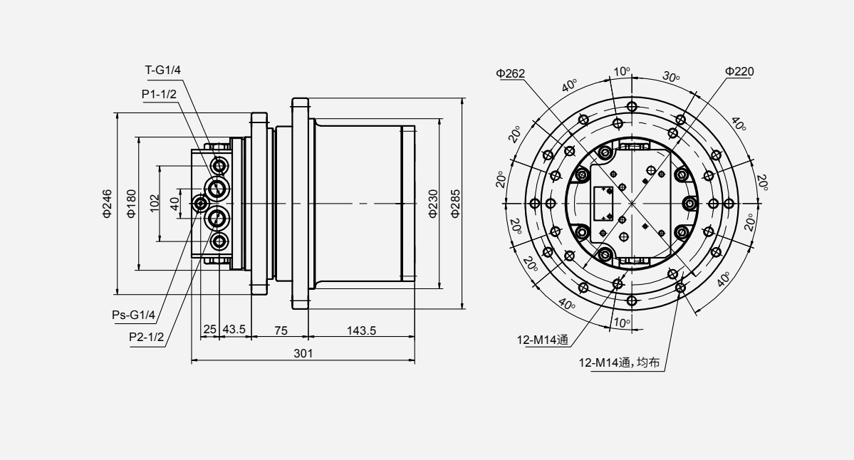
আইটিএম04:
| মোডাল | (লি/মিনিট) | (ML/r) মোটর | (এমপিএ) | (এমপিএ) | গিয়ার অনুপাত | (N.m) | (আর/মিনিট) | ঘূর্ণন | (℃) তেল | (mm2/s) |
| ITM04 | 40 | 14.3/23.6 | 21 | 2-7 | 52.7 | 4200 | 55/33 | দ্বিমুখী | -20- 80 | 16-25 |
| মোডাল | (লি/মিনিট) ইনপুট প্রবাহ | (ML/r) | (এমপিএ) | (এমপিএ) | গিয়ার অনুপাত | (N.m) | (আর/মিনিট) | ঘূর্ণন | (℃) | (mm2/s) |
| ITM06 | 50 | 19/34 | 24.5 | 2-7 | 47.53 | 6300 | 55/30 | দ্বিমুখী | -20- 80 | 16-25 |
| মোডাল | (লি/মিনিট) ইনপুট প্রবাহ | (ML/r) | (এমপিএ) কাজের চাপ | (এমপিএ) | গিয়ার অনুপাত | (N.m) | (আর/মিনিট) | ঘূর্ণন | (℃) তেল | (mm2/s) |
| ITM07 | 50 | 22/44 | 27.5 | 2-7 | 53.706 | 10500 | 50/25 | দ্বিমুখী | -20- 80 | 16-25 |
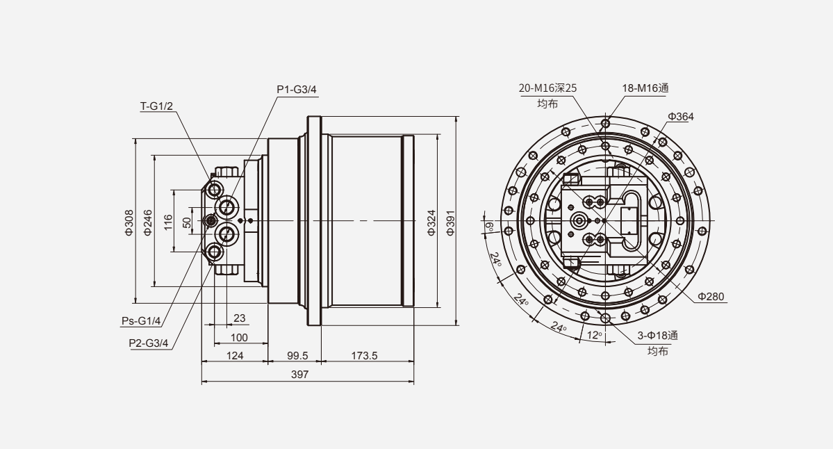
ITM09:
| মোডাল | (লি/মিনিট) | (ML/r) | (এমপিএ) | (এমপিএ) | গিয়ার অনুপাত | (N.m) | (আর/মিনিট) | ঘূর্ণন | (℃) | (mm2/s) |
| ITM09 | 80 | 34/53 | 30 | 2-7 | 53.7 | 11500 | 51/33 | দ্বিমুখী | -20- 80 | 16-25 |
| মোডাল | (লি/মিনিট) | (ML/r) | (এমপিএ) | (এমপিএ) | গিয়ার অনুপাত | (N.m) | (আর/মিনিট) | ঘূর্ণন | (℃) | (mm2/s) |
| ITM10 | 80 | 38/65 | 25 | 2-7 | 53.7 | 13000 | 51/33 | দ্বিমুখী | -20- 80 | 16-25 |
| মোডাল | (লি/মিনিট) | (ML/r) | (এমপিএ) | (এমপিএ) | গিয়ার অনুপাত | (N.m) | (আর/মিনিট) | ঘূর্ণন | (℃) | (mm2/s) |
| ITM18 | 130 | 43/67 | 30 | 2-7 | 53 | 16900 | 57/37 | দ্বিমুখী | -20- 80 | 16-25 |
| মোডাল | (লি/মিনিট) | (ML/r) | (এমপিএ) | (এমপিএ) | গিয়ার অনুপাত | (N.m) | (আর/মিনিট) | ঘূর্ণন | (℃) | (mm2/s) | প্রযোজ্য মডেল |
| ITM22 | 130 | 48/81 | 34.3 | 2-7 | 53.7 | 23700 | 50/30 | দ্বিমুখী | -20- 80 | 16-25 | 13-17 |
| মোডাল | (লি/মিনিট) | (ML/r) | (এমপিএ) | (এমপিএ) | গিয়ার অনুপাত | (N.m) | (আর/মিনিট) তাত্ত্বিক | ঘূর্ণন | (℃) | (mm2/s) |
| ITM40 | 230 | 99/147 | 34.3 | 2-7 | 50.5 | 40546 | 50/32 | দ্বিমুখী | -20- 80 | 16-25 |
| মোডাল | (লি/মিনিট) | (ML/r) | (এমপিএ) | (এমপিএ) | গিয়ার অনুপাত | (N.m) | (আর/মিনিট) | ঘূর্ণন | (℃) | (mm2/s) |
| ITM60 | 330 | 195/120 | 34.3 | 2-7 | 63.84 | 67000 | 40/26 | দ্বিমুখী | -20- 80 | 16-25 |
বিখ্যাত এন্টারপ্রাইজগুলি দ্বারা সরবরাহিত পণ্যগুলি ব্যবহারকারীদের দ্বারা গভীরভাবে বিশ্বস্ত।
বছরের শিল্প অভিজ্ঞতা
কারখানা এলাকা
দক্ষ কর্মচারী
উন্নত উৎপাদন লাইন
INI Hydraulic Co., Ltd. বিশেষ করে হাইড্রাউলিক উইন্ডিং, হাইড্রোলিক মোটর এবং গ্রহের গেয়ারবক্সের ডিজাইন এবং তৈরি করার জন্য। আমরা এশিয়ার পেশাদারিক প্রতিষ্ঠান মেশিনি সহযোগিতা সমর্থক। বাজারে জীবিত থাকতে আমাদের উপায়। ২৬ বছরেরও বেশি বছর ধরে ক্রেতাদের প্রযুক্তির প্রতিশ্রুতি দ্বারা চালানো হয়েছে যেখানে আমরা নিজেদের উন্নয়নের প্রযুক্তির উপর ভিত্তিতে বি প্রযুক্তির বিস্তারিত দৃশ্য, প্রত্যেকটি সম্পর্কে সম্পর্কিত, হাইড্রাউলিক এবং ইলেক্ট্রিক উইন্ড, গ্রহের গিয়ারবোক্স, উড়ছে ড্রাইভ, ট্রান্সমিশন ড্রাইভ, হ
শিল্প যন্ত্রপাতি, নির্মাণ যন্ত্রপাতি, জাহাজ ও ডেক যন্ত্রপাতি, অফ-শোর সরঞ্জাম, খনির এবং ধাতুবিদ্যার যন্ত্রপাতি সীমাবদ্ধ না করা সহ বিভিন্ন অ্যাপ্লিকেশনগুলিতে আমাদের পণ্যগুলির নির্ভরযোগ্যতা দৃঢ়ভাবে প্রমাণিত হয়েছে।
এছাড়াও, আমাদের পণ্যের গুণমান একাধিক বিশ্বব্যাপী প্রসিদ্ধ সার্টিফিকেট সংস্থা দ্বারা অনুমোদিত হয়েছে। আমাদের পণ্যগুলি যে শংসাপত্রগুলি পেয়েছে, তার মধ্যে রয়েছে EC-টাইপ পরীক্ষার শংসাপত্র, BV MODE, DNV GL শংসাপত্র, EC অ্যাটেস্টেশন অফ কনফর্মিটি, সামুদ্রিক পণ্যের জন্য টাইপ অনুমোদনের শংসাপত্র এবং লয়েডের রেজিস্টার গুণমানের নিশ্চয়তা৷ এখন পর্যন্ত, আমাদের দেশীয় বাজার চীন ছাড়াও, আমরা মার্কিন যুক্তরাষ্ট্র, জার্মানি, নেদারল্যান্ডস, অস্ট্রেলিয়া, রাশিয়া, তুরস্ক, সিঙ্গাপুর, জাপান, দক্ষিণ কোরিয়া, মালয়েশিয়া, ভিয়েতনাম, ভারত এবং ইরানে আমাদের পণ্যগুলি ব্যাপকভাবে রপ্তানি করেছি। আমাদের সরবরাহ এবং বিক্রয়োত্তর পরিষেবাগুলি আমাদের গ্রাহকদের গভীর স্বার্থের জন্য অবিলম্বে এবং নির্ভরযোগ্যভাবে সমগ্র বিশ্বকে কভার করে।
16 Mar,2026
09 Mar,2026
02 Mar,2026
TOP