16 Mar,2026
গিয়ার বনাম ভ্যান বনাম পিস্টন: কোন শিল্প হাইড্রোলিক পাম্প সর্বোত্তম দক্ষতা অফার করে?




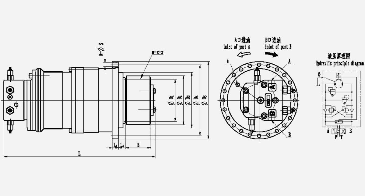
IYH সিরিজের হাইড্রোলিক স্লিউইং ড্রাইভগুলি স্বাধীন বুদ্ধিবৃত্তিক সম্পত্তি অধিকারের সাথে স্ব-উন্নত। এগুলিতে প্রধানত হাইড্রোলিক মোটর, মাল্টি-ডিস্ক হাইড্রোলিক ব্রেক, টাইপ প্ল্যানেটারি গিয়ারবক্স এবং ডিস্ট্রিবিউটর থাকে। হাইড্রোলিক মোটর পারে
| সিরিয়াল কোড | রেট টর্ক | রেট করা গতি | মোট স্থানচ্যুতি | কাজের চাপ | সরবরাহ তেল প্রবাহ (এমPa) | গিয়ারবক্স মডেল | গিয়ার পরামিতি | সামগ্রিক মাত্রা এবং তেল পোর্ট স্পেসিফিকেশন | ||||||||||||||||||
| এম | জেড | এক্স | D0 | D1 | D2 | D3 | D4 | D5 | D6 | এল1 | এল2 | এল3 | L4 | L5 | L | N | এস | এ, বি | 0 | |||||||
| IYখ22-A | 1500~3000 | 0-12 | 2857.5 | 6~11 | 40 | C22(i=22.86) | 6 | 13 | 0.5 | - | 78 | 96 | - | 65 | 200 | 188 | 16 | 50 | 70 | - | - | 476 | 12 | 13 | G3/4' | জি 1/2' |
| IYE22-বি | 1500~3000 | 0-12 | 2857.5 | 6~11 | 40 | C22(i=22.80 | 8 | 11 | 0.5 | - | 88 | 10 | 130 | - | 200 | 188 | 16 | 50 | 88 | - | - | 506 | 12 | 13 | G3/4' | G1/2' |
| ITR22-C | 1500~3000 | 0~12 | 2857.5 | 6~11 | 40 | C22(i=22.86) | 8 | 12 | 0.5 | - | 96 | 118 | 130 | 65 | 200 | 188 | 16 | 50 | 61 | - | - | 467 | 12 | 13 | G3/4' | G1/2' |
| IYB22-D | 1500-3000 | 0-12 | 2857.5 | 6-11 | 40 | C22(i=22.86 | 8 | 13 | 0.5 | - | 104 | 26 | 30 | 165 | 200 | 88 | 16 | 50 | 70 | - | - | 476 | 12 | 13 | G3/4' | G1/2' |
| IYE22-বি | 3500~5000 | 0~14 | 2683 | 10~14 | 44 | C22(i=26.83) | 6 | 17 | 0.5 | 50 | 102 | 119 | 150 | 190 | 220 | 185 | 16 | 43.5 | 60 | 19 | 18 | 488 | 8 | 14.5 | G3/4' | G1/2' |
| IYE21-D | 3500~5000 | 0-14 | 2683 | 10~14 | 44 | C22(i=26.83) | 8 | 1 | 0.5 | 50 | 881 | 110 | 150 | 190 | 220 | 185 | 16 | - | - | 19 | 18 | 500 | 8 | 14.5 | G3/4' | G1/2' |
| IYE22-C | 3500~5000 | 0~14 | 2683 | 10-14 | 44 | C22(i=26.83) | 8 | 13 | 0.5 | 50 | 104 | 26 | 150 | 190 | 220 | 185 | 16 | 43.5 | 80 | 19 | 18 | 508 | 8 | 14.5 | G3/4' | G1/2' |
| IYB22-O | 3500~5000 | 0-14 | 2683 | 10-14 | 44 | C22(i=26.83) | 10 | 11 | 0.5 | 50 | 110 | 40 | 50 | 90 | 220 | 85 | 16 | 43.5 | 80 | 19 | 8 | 50B | 8 | 4.5 | G3/4' | G1/2' |
| IYE33-A | 4000~6600 | 0-20 | 2325~3726 | 13~16 | 88 | C33(i=18.6) | 8 | 11 | 0.5 | - | 88 | 12 | 70 | 22 | 245 | 224 | 20 | 70 | 90 | - | - | 605 | 20 | 12.5 | G3/4' | G1/2' |
| IYE33-বি | 4000~6600 | 0-20 | 2325~3726 | 13~16 | 88 | C33(i=18.6) | 8 | 5 | 0.5 | - | 120 | 44 | 170 | 22 | 245 | 224 | 20 | 70 | 90 | - | - | 605 | 20 | 12.5 | G3/4' | G1/2' |
| IYE33C | 4000~6600 | 0~20 | 2325~3726 | 13~16 | 88 | c33(i=18.6) | 10 | 12 | 0.5 | - | 120 | 149 | 70 | 22 | 245 | 224 | 20 | 70 | 90 | - | - | 605 | 20 | 12.5 | G3/4' | G1/2 |
| IYE33-D | 4000~6600 | 0-20 | 2325-3726 | 13~16 | 88 | C33(i=18.6) | 10 | 13 | 0.5 | - | 130 | 159 | 70 | 22 | 245 | 224 | 20 | 70 | 90 | - | - | 605 | 20 | 12.5 | G3/4' | G1/2' |
| IYE33-E | 7000~12000 | 0~12 | 5296~6620 | 12~16 | 92 | C33(i=33.1) | 10 | 13 | 0.5 | - | 130 | 60 | 200 | 250 | 280 | 280 | 20 | 41 | 90 | - | - | 655 | 24 | 3.5 | G3/4' | G1/2' |
| IYE33-F | 000-12000 | 0-12 | 5296~6620 | 12~16 | 92 | C33(i=33.1) | 10 | 15 | 0.5 | - | 150 | 180 | 200 | 250 | 280 | 280 | 20 | 41 | 100 | - | - | 655 | 24 | 13.5 | G3/4' | G1/2' |
| আইওয়াইএইচ৩৩-জি | 7000~12000 | 0-12 | 5296-6620 | 12-16 | 92 | C33(i=33.1) | 12 | 13 | 0.5 | - | 156 | 192 | 200 | 250 | 280 | 280 | 20 | 41 | 100 | - | - | 665 | 24 | 13.5 | G3/4' | G1/2' |
| সিরিয়াল কোড | রেট টর্ক | রেট করা গতি | মোট স্থানচ্যুতি | কাজের চাপ (এমpe) | সরবরাহ তেল প্রবাহ (MPa) | গিয়ারবক্স মডেল (অনুপাত) | গিয়ার পরামিতি | সামগ্রিক মাত্রা এবং তেল পোর্ট স্পেসিফিকেশন | ||||||||||||||||||
| M | জেড | এক্স | D0 | D1 | D2 | D3 | D4 | D5 | D6 | L1 | L2 | L3 | L4 | L5 | L | N | এস | এ, বি | 0 | |||||||
| ITH22-I | 3500~5000 | 0~14 | 2683 | 10~14 | 44 | C22(i=26.83 | 6 | 13 | 0.5 | - | 78 | 96 | - | 65 | 200 | 188 | 16 | 5D | 70 | - | - | 476 | 12 | 13 | G3/4' | G1/2' |
| ITB22-J | 3500~5000 | D~14 | 2683 | 10-14 | 44 | C22(i=26.83 | 8 | 11 | 0.5 | - | 88 | 10 | 130 | - | 200 | 188 | 16 | 50 | 88 | - | - | 506 | 12 | 13 | G3/4' | G1/2' |
| IYB22-K | 3500~5000 | 0~14 | 2683 | 10~14 | 44 | C22(i=26.83) | 8 | 12 | 0.5 | - | 96 | 118 | 130 | 65 | 200 | 188 | 16 | 50 | 61 | - | - | 467 | 12 | 13 | G3/4' | G1/2' |
| সিরিয়াল কোড | রেট টর্ক (N.m) | রেট করা গতি | মোট স্থানচ্যুতি | কাজের চাপ (Mpe) | সরবরাহ তেল প্রবাহ (MPa) | গিয়ার পরামিতি | সামগ্রিক মাত্রা এবং তেল পোর্ট স্পেসিফিকেশন | ||||||||||||||
| M | জেড | এক্স | B | D1 | D2 | D3 | D4 | D5 | L1 | L2 | L | N | এস | A.B | 0 | ||||||
| ITM2.5-A | 800-2000 | 0~120 | 430~1057 | 16 | ৫/৫.৫/৭ | 5 | 17 | 0.5 | 70 | 85 | 99.5 | 180 | 230 | 250 | 20 | 24 | 478 | 24 | 11 | M22*1.5 | জি 1/4 |
| ITH2.5-B | 800~2000 | 0-120 | 430-1057 | 16 | ৫/৫.৫/৭ | 6 | 17 | 0.5 | 60 | 102 | 118.8 | 180 | 230 | 250 | 20 | 24 | 468 | 24 | 11 | M22*1.5 | জি 1/4' |
| IYH2.5-C | 800-2000 | 0-120 | 430-1057 | 16 | ৫/৫.৫/৭ | 8 | 17 | 0.5 | 54 | 136 | 159.04 | 180 | 230 | 250 | 20 | 24 | 462 | 24 | 11 | M22*1.5 | G1/4 |
| IT12.5-D | 800~2000 | 0-120 | 430~1057 | 16 | ৫/৫.৫/৭ | 12 | 13 | 0.5 | 8D | 156 | 191.64 | 180 | 230 | 250 | 20 | 24 | 488 | 24 | 11 | M22*1.5 | G1/4' |
| IYH2.53-A | 3000-6500 | 0-32.5 | 1720-3320 | 16 | 20/28 |
| 17 | 0.5 | 60 | 102 | 118.8 | 250 | 290 | 320 | 20 | 75 | 565 | 16 | 17 | M22*1.5 | G1/4' |
| ITH2.53-B | 3000~6500 | 0~32.5 | 1720~3320 | 16 | 20/28 |
| 15 | 0.63 | 80 | 120 | 45.63 | 250 | 290 | 320 | 20 | 75 | 585 | 16 | 17 | M22*1.5 | G1/4' |
| ITH2.53-C | 3000~6500 | 0~32.5 | 1720-3320 | 16 | 20/28 | 10 | 13 | 0.5 | 85 | 130 | 160 | 250 | 290 | 320 | 20 | 15 | 590 | 16 | 17 | M22*1.5 | G1/4' |
| IYH3-A | 2600~5316 | 0-100 | 1344~2711.5 | 16 | ৫/৫.৫/৭ | 6 | 17 | 0.5 | 60 | 102 | 118.8 | 235 | 252 | 270 | 38 | 90.5 | 483 | 24 | 10.5 | M22*1.5 | G1/2' |
| আইওয়াইএইচ৩-বি | 2620~5316 | 0~100 | 1344~2711.5 | 16 | ৫/৫.৫/৭ |
| 15 | 0.5 | 60 | 120 | 143.24 | 235 | 252 | 270 | 38 | 90.5 | 483 | 24 | 10.5 | M22*1.5 | G1/2' |
| IYH3-C | 2600-5316 | 0-190 | 1344-2711.5 | 16 | ৫/৫.৫/৭ | 10 | 12 | 0.63 | 80 | 120 | 149 | 235 | 252 | 270 | 38 | 905 | 503 | 24 | 10.5 | M22*1.5 | G1/2' |
| IYH3-D | 2690~5316 | 0~100 | 1344~2711.5 | 16 | ৫/৫.৫/৭ | 12 | 15 | 0.65 | 90 | 180 | 416.39 | 235 | 252 | 270 | 38 | 90.5 | 513 | 24 | 10.5 | M22*1.5 | G1/2' |
| IYH4-A | 4873-10886 | 0~90 | 2430-5428.5 | 16 | ৫/৫.৫/৭ | 10 | 17 | 0.6 | 85 | 170 | 200.64 | 330 | 370 | 400 | 24.5 | 123 | 625 | 24 | 17 | M33*2 | G1/2' |
| IYH4-বি | 4873-10886 | 0-90 | 2430~5428.5 | 16 | ৫/৫.৫/৭ | 12 | 13 | 0.5 | 100 | 156 | 191.5 | 330 | 370 | 400 | 24.5 | 123 | 640 | 24 | 11 | M33*2 | G1/2' |
| IYH4-C | 4873~10886 | 0~90 | 2430~5428.5 | 16 | ৫/৫.৫/৭ | 14 | 15 | 0.5 | 100 | 210 | 250.58 | 330 | 370 | 400 | 24.5 | 123 | 640 | 24 | 17 | M33*2 | G1/2' |
| IYH4-D | 4873-10386 | 0-90 | 2430-5428.5 | 16 | ৫/৫.৫/৭ | 16 | 12 | 0.5 | 100 | 192 | 238.4 | 330 | 370 | 400 | 24.5 | 123 | 640 | 24 | 17 | M33*2 | G1/2' |
| IYH5-A | 13195-22136 | 0-40 | 6580-11038.5 | 16 | ৫/৫.৫/৭ | 12 | 18 | 0.564 | 85 | 216 | 252.03 | 400 | 432 | 460 | 22 | 179 | 979 | 24 | 17 | φ50 | G1/2' |
| আইওয়াইএইচ৫-বি | 13195~22136 | 0~40 | 6580~11038.5 | 16 | ৫/৫.৫/৭ | 14 | 15 | 0.5 | 100 | 210 | 250.50 | 400 | 432 | 460 | 22 | 179 | 994 | 24 | 17 | φ50 | G1/2' |
| IYH5-C | 13195~22136 | 0~40 | 6580~11038,5 | 16 | ৫/৫.৫/৭ | 16 | 12 | 0.5 | 100 | 192 | 237.92 | 400 | 432 | 460 | 22 | 179 | 994 | 24 | 17 | φ50 | G1/2' |
| IYH6-A | 25197~33540 | 0-35 | 12565-16725.5 | 16 | ৫/৫.৫/৭ | 16 | 17 | 0.5 | 150 | 272 | 320 | 495 | 525 | 565 | 35 | 235 | 1215 | 24 | 21 | φ50 | G1/2' |
| IYH6-B | 25197-33540 | 0-35 | 12565-16725.5 | 16 | ৫/৫.৫/৭ | 20 | 15 | 0.5 | 160 | 300 | 359.6 | 495 | 525 | 565 | 35 | 235 | 1225 | 24 | 21 | φ50 | G1/2' |
| IYH34-A | 12000~18000 | 0-5.5 | 6622-11165 | 16 | 38.5 | 12 | 12 | 0.5 | 100 | 144 | 180 | 330 | 370 | 400 | 40 | 125.5 | 663 | 24 | 17 | M33*2 | G1/4' |
| আইওয়াইএইচ৩৪-বি | 12000-18000 | 0-5.5 | 6622-1116 | 16 | 38.5 | 14 | 14 | 0.5 | 100 | 196 | 236.6 | 330 | 370 | 400 | 40 | 125.5 | 663 | 24 | 17 | M33*2 | G1/4' |
| IYH45-A | 13000~25000 | 0-22 | 7028~13804 | 16 | 28 | 12 | 14 | 0.5 | 90 | 168 | 202.8 | 426 | 455 | 490 | 25 | 94 | 770 | 32 | 21 | M33*2 | G1/2' |
| আইওয়াইএইচ৪৫-বি | 13000-25000 | 0-22 | 7028-13804 | 16 | 28 | 14 | 15 | 0.5 | 100 | 210 | 250.58 | 426 | 455 | 490 | 25 | 94 | 780 | 32 | 21 | M33*2 | G1/2' |
| IYH45-C | 13000~25000 | 0-22 | 7028-13804 | 16 | 28 | 16 | 12 | 0,5 | 100 | 192 | 237.92 | 426 | 455 | 490 | 25 | 94 | 780 | 32 | 21 | M33*2 | G1/2' |
| IYH56-A | 32740~61406 | 0~11 | 16660-31248 | 16 | 28 | 16 | 17 | 0.5 | 150 | 272 | 320 | 510 | 545 | 580 | 30 | 351 | 995 | 30 | 21 | M33*2 | G1/2' |
| IYH56-B | 32740-61406 | 0-11 | 16660-31248 | 16 | 28 | 18 | 14 | 0.5 | 180 | 252 | 306.18 | 510 | 545 | 580 | 30 | 351 | 1025 | 30 | 21 | M33*2 | G1/2' |
| IYH56-C | 32740~61406 | 0-11 | 16660~31248 | 16 | 28 | 20 | 14 | 0.4 | 194 | 280 | 329.48 | 510 | 545 | 580 | 30 | 351 | 1039 | 30 | 21 | M33*2 | G1/2' |
| IYH67-A | 63000-90000 | 0-8 | 33180-45752 | 16 | 28 | 22 | 14 | 0.5 | 200 | 308 | 374 | 605 | 650 | 700 | 36 | 235 | 465 | 36 | 25 | M33*2 | G1/2' |
| IYH67-B | 63080~90000 | 0-8 | 33180~45752 | 16 | 28 | 20 | 13 | 0.5 | 180 | 260 | 320 | 605 | 650 | 700 | 36 | 235 | 445 | 36 | 25 | M33*2 | G1/2' |
| IYH67-C | 63000~90000 | 0-8 | 33180~45152 | 16 | 28 | 18 | 17 | 0.5 | 140 | 306 | 360 | 605 | 650 | 100 | 36 | 235 | 1405 | 36 | 25 | M33*2 | G1/2' |
| IYH67-D | 63000-9000 | 0-8 | 33180~45752 | 16 | 28 | 16 | 15 | 0.5 | 125 | 240 | 281.5 | 605 | 650 | 700 | 36 | 235 | 1390 | 36 | 25 | M33*2 | G1/2' |
| IYH67-E | 63000~90000 | 0-8 | 33180~45752 | 16 | 28 | 40 | 12 | 0.63 | 169 | 480 | 529.6 | 605 | 650 | 700 | 36 | 235 | 385 | 36 | 25 | M33*2 | G1/2' |
| IYH79-A | 110000~160000 | 0~10 | 55285~85148 | 16 | 22/28 | 22 | 14 | 0.5 | 200 | 308 | 374 | 760 | 810 | 850 | 40 | 449.5 | 157 | 36 | 25 | φ50 | G1/2' |
| IYH79-B | 110000~160000 | 0-10 | 55286~85148 | 16 | 22/28 | 20 | 13 | 0.5 | 180 | 260 | 320 | 760 | 10 | 850 | 40 | 449.5 | 155 | 36 | 25 | φ50 | G1/2' |
| IYH79-C | 110000~160000 | 0-10 | 55286-85148 | 16 | 22/28 | 18 | 17 | 0.5 | 140 | 306 | 360 | 760 | 810 | 850 | 40 | 449.5 | 1511 | 36 | 25 | φ50 | G1/2' |
| IYH79-D | 110000~160000 | 0-10 | 55286~85148 | 16 | 22/28 | 40 | 12 | 0.63 | 160 | 480 | 529.6 | 760 | 810 | 850 | 40 | 449.5 | 531 | 36 | 25 | φ50 | G1/2' |
বিখ্যাত এন্টারপ্রাইজগুলি দ্বারা সরবরাহিত পণ্যগুলি ব্যবহারকারীদের দ্বারা গভীরভাবে বিশ্বস্ত।
বছরের শিল্প অভিজ্ঞতা
কারখানা এলাকা
দক্ষ কর্মচারী
উন্নত উৎপাদন লাইন
INI Hydraulic Co., Ltd. বিশেষ করে হাইড্রাউলিক উইন্ডিং, হাইড্রোলিক মোটর এবং গ্রহের গেয়ারবক্সের ডিজাইন এবং তৈরি করার জন্য। আমরা এশিয়ার পেশাদারিক প্রতিষ্ঠান মেশিনি সহযোগিতা সমর্থক। বাজারে জীবিত থাকতে আমাদের উপায়। ২৬ বছরেরও বেশি বছর ধরে ক্রেতাদের প্রযুক্তির প্রতিশ্রুতি দ্বারা চালানো হয়েছে যেখানে আমরা নিজেদের উন্নয়নের প্রযুক্তির উপর ভিত্তিতে বি প্রযুক্তির বিস্তারিত দৃশ্য, প্রত্যেকটি সম্পর্কে সম্পর্কিত, হাইড্রাউলিক এবং ইলেক্ট্রিক উইন্ড, গ্রহের গিয়ারবোক্স, উড়ছে ড্রাইভ, ট্রান্সমিশন ড্রাইভ, হ
শিল্প যন্ত্রপাতি, নির্মাণ যন্ত্রপাতি, জাহাজ ও ডেক যন্ত্রপাতি, অফ-শোর সরঞ্জাম, খনির এবং ধাতুবিদ্যার যন্ত্রপাতি সীমাবদ্ধ না করা সহ বিভিন্ন অ্যাপ্লিকেশনগুলিতে আমাদের পণ্যগুলির নির্ভরযোগ্যতা দৃঢ়ভাবে প্রমাণিত হয়েছে।
এছাড়াও, আমাদের পণ্যের গুণমান একাধিক বিশ্বব্যাপী প্রসিদ্ধ সার্টিফিকেট সংস্থা দ্বারা অনুমোদিত হয়েছে। আমাদের পণ্যগুলি যে শংসাপত্রগুলি পেয়েছে, তার মধ্যে রয়েছে EC-টাইপ পরীক্ষার শংসাপত্র, BV MODE, DNV GL শংসাপত্র, EC অ্যাটেস্টেশন অফ কনফর্মিটি, সামুদ্রিক পণ্যের জন্য টাইপ অনুমোদনের শংসাপত্র এবং লয়েডের রেজিস্টার গুণমানের নিশ্চয়তা৷ এখন পর্যন্ত, আমাদের দেশীয় বাজার চীন ছাড়াও, আমরা মার্কিন যুক্তরাষ্ট্র, জার্মানি, নেদারল্যান্ডস, অস্ট্রেলিয়া, রাশিয়া, তুরস্ক, সিঙ্গাপুর, জাপান, দক্ষিণ কোরিয়া, মালয়েশিয়া, ভিয়েতনাম, ভারত এবং ইরানে আমাদের পণ্যগুলি ব্যাপকভাবে রপ্তানি করেছি। আমাদের সরবরাহ এবং বিক্রয়োত্তর পরিষেবাগুলি আমাদের গ্রাহকদের গভীর স্বার্থের জন্য অবিলম্বে এবং নির্ভরযোগ্যভাবে সমগ্র বিশ্বকে কভার করে।
16 Mar,2026
09 Mar,2026
02 Mar,2026
TOP