16 Mar,2026
গিয়ার বনাম ভ্যান বনাম পিস্টন: কোন শিল্প হাইড্রোলিক পাম্প সর্বোত্তম দক্ষতা অফার করে?


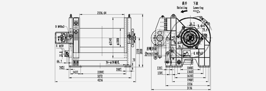
| ১ম স্তরে পূর্ণ রেট দেওয়া হয়েছে (kN) | 1000 |
| 1ম স্তরে রেট করা গতি (মি/মিনিট) | 7 |
| মোট স্থানচ্যুতি (ml/r) | 131500 |
| সিস্টেম চাপ (MPa) | 35 |
| পার্থক্য চাপ (MPa) | 32 |
| দড়ি ব্যাস (মিমি) | 52 |
| দড়ি স্তর সংখ্যা | 9 |
| ড্রাম ক্ষমতা (মি) | 1800 |
| পাম্প প্রবাহ (লি/মিনিট) | 300 |
| মোটর প্রকার | HL-A4FM500-01 |
| গিয়ারবক্স প্রকার | IGC550W3-B263 (i=263) |
বিখ্যাত এন্টারপ্রাইজগুলি দ্বারা সরবরাহিত পণ্যগুলি ব্যবহারকারীদের দ্বারা গভীরভাবে বিশ্বস্ত।
বছরের শিল্প অভিজ্ঞতা
কারখানা এলাকা
দক্ষ কর্মচারী
উন্নত উৎপাদন লাইন
INI Hydraulic Co., Ltd. বিশেষ করে হাইড্রাউলিক উইন্ডিং, হাইড্রোলিক মোটর এবং গ্রহের গেয়ারবক্সের ডিজাইন এবং তৈরি করার জন্য। আমরা এশিয়ার পেশাদারিক প্রতিষ্ঠান মেশিনি সহযোগিতা সমর্থক। বাজারে জীবিত থাকতে আমাদের উপায়। ২৬ বছরেরও বেশি বছর ধরে ক্রেতাদের প্রযুক্তির প্রতিশ্রুতি দ্বারা চালানো হয়েছে যেখানে আমরা নিজেদের উন্নয়নের প্রযুক্তির উপর ভিত্তিতে বি প্রযুক্তির বিস্তারিত দৃশ্য, প্রত্যেকটি সম্পর্কে সম্পর্কিত, হাইড্রাউলিক এবং ইলেক্ট্রিক উইন্ড, গ্রহের গিয়ারবোক্স, উড়ছে ড্রাইভ, ট্রান্সমিশন ড্রাইভ, হ
শিল্প যন্ত্রপাতি, নির্মাণ যন্ত্রপাতি, জাহাজ ও ডেক যন্ত্রপাতি, অফ-শোর সরঞ্জাম, খনির এবং ধাতুবিদ্যার যন্ত্রপাতি সীমাবদ্ধ না করা সহ বিভিন্ন অ্যাপ্লিকেশনগুলিতে আমাদের পণ্যগুলির নির্ভরযোগ্যতা দৃঢ়ভাবে প্রমাণিত হয়েছে।
এছাড়াও, আমাদের পণ্যের গুণমান একাধিক বিশ্বব্যাপী প্রসিদ্ধ সার্টিফিকেট সংস্থা দ্বারা অনুমোদিত হয়েছে। আমাদের পণ্যগুলি যে শংসাপত্রগুলি পেয়েছে, তার মধ্যে রয়েছে EC-টাইপ পরীক্ষার শংসাপত্র, BV MODE, DNV GL শংসাপত্র, EC অ্যাটেস্টেশন অফ কনফর্মিটি, সামুদ্রিক পণ্যের জন্য টাইপ অনুমোদনের শংসাপত্র এবং লয়েডের রেজিস্টার গুণমানের নিশ্চয়তা৷ এখন পর্যন্ত, আমাদের দেশীয় বাজার চীন ছাড়াও, আমরা মার্কিন যুক্তরাষ্ট্র, জার্মানি, নেদারল্যান্ডস, অস্ট্রেলিয়া, রাশিয়া, তুরস্ক, সিঙ্গাপুর, জাপান, দক্ষিণ কোরিয়া, মালয়েশিয়া, ভিয়েতনাম, ভারত এবং ইরানে আমাদের পণ্যগুলি ব্যাপকভাবে রপ্তানি করেছি। আমাদের সরবরাহ এবং বিক্রয়োত্তর পরিষেবাগুলি আমাদের গ্রাহকদের গভীর স্বার্থের জন্য অবিলম্বে এবং নির্ভরযোগ্যভাবে সমগ্র বিশ্বকে কভার করে।
16 Mar,2026
09 Mar,2026
02 Mar,2026
TOP